手机版
二维码
欢迎访问昌林自动化官方网站!
了解产品
品牌站
搜索
首页
了解产品
资讯动态
品牌站
下载中心
首页
>
了解产品
>
气动器材 气动阀
>
控制元件
>
单向/节流阀
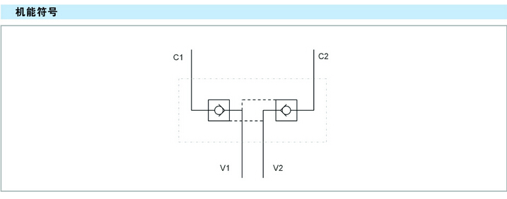
HYVBPDE 1/4” A,HYVBPDE 3/8" A,HYVBPDE 1/2" A,先导式双单向阀
点击图片查看原图
型号:
HYVBPDE 1/4” A,HYVBPDE 3/8" A,HYVBPDE 1/2" A,
PDF下载:
如需产品详细说明请与销售客服联系
浏览次数:
1012
公司基本资料信息
联系人
销售员 1025(女士)
电话
13861877712
地区
江苏-无锡市
地址
无锡市会北路28-135
详细说明
HYVBPDE 1/4” A,HYVBPDE 3/8" A,HYVBPDE 1/2" A,先导式双单向阀
更多
>
本企业其它产品
HYVBPSE 1/4" FL,HYVB
HYVBPDE 3/8" FL,HYVB
HYVBPDE 1/4" L,HYVBP
HYVBPDE 1/4" L2 CEXC
HYVBPDE 3/8" L2 CC,H
HYVBPDE3/8" LSC,先导
HYVBPDE 1/4” A,HYVB
HYVBPDE3/8"CILINDRIC
0
条
相关评论