手机版
二维码
欢迎访问昌林自动化官方网站!
了解产品
品牌站
搜索
首页
了解产品
资讯动态
品牌站
下载中心
首页
>
了解产品
>
液压元件 液压阀
>
压力控制阀
>
溢流阀
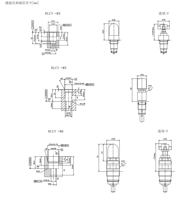
RLCY-M3/50,RLCY-M5/100,RLCY-M6/210,RLCY-M3/210/V,RLCY-M5/250/V,插装溢流阀
点击图片查看原图
型号:
RLCY-M3/50,RLCY-M5/100,RLCY-M6/210,RLCY-M3/210/V,RLCY-M5/250/V,
PDF下载:
如需产品详细说明请与销售客服联系
浏览次数:
603
公司基本资料信息
联系人
销售员 1535(先生)
电话
13861877712
地区
江苏-无锡市
地址
无锡市会北路28-135
详细说明
RLCY-M3/50,RLCY-M5/100,RLCY-M6/210,RLCY-M3/210/V,RLCY-M5/250/V,插装溢流阀
RLCY-M3/100,RLCY-M3/210,RLCY-M3/350,RLCY-M5/50,RLCY-M5/210,RLCY-M5/250,RLCY-M5/350,
RLCY-M6/50,RLCY-M6/100,RLCY-M6/350,RLCY-M3/50/V,RLCY-M3/100/V,RLCY-M3/350/V,
RLCY-M5/50/V,RLCY-M5/100/V,RLCY-M5/210/V,RLCY-M5/350/V,
RLCY-M6/50/V,RLCY-M6/100/V,RLCY-M6/210/V,RLCY-M6/350/V,
更多
>
本企业其它产品
RTD-06-1-10,RTD-10,R
EIPH2-004RK,EIPH2-00
RLCY-M3/50,RLCY-M5/1
RSDG5-0W,RSDG5-33FL,
RMJ3/P-0/V-10,RMJ5/P
RMDK3/W-0/V-10,RMDK5
RMDQ3/W-E/V-10,RMDQ3
RMGQ3-P/06-10,RMGQ3-
0
条
相关评论