GDUC50,GDUC65,GDUC80,GDUC100,P-GDUC125,P-GDUC150,P-GDUC200,气动法兰式蝶阀
|
P-GDUC气动法兰式硬密封蝶阀 |
|
|
技术参数 |
|
|
气缸选配 |
P系列 |
|
气缸形式 |
双作用、单作用 |
|
环境温度 |
-20℃~+80℃ |
|
气源压力 |
双作用4~8bar、单作用5~8bar |
|
附件选项 |
|
|
回讯器 |
也叫限位开关,远程反馈开关信号 |
|
电磁阀 |
双作用选二位五通、单作用选二位三通 |
|
三联件 |
可对气源稳压、过滤、气缸加润滑油 |
|
电气定位器 |
输入4~20mA信号,实现球阀调节功能 |
|
备注:气缸参数请另参考所选配的气动执行器资料。 |
|
|
标准规范 |
|
* 法兰标准:GB9113、GB9113、GB9115 |
|
* 检测与试验:GB/T13927-1992、B/T 9092-1999 |
|
* 设计标准:JB-T 8527-1997 |
|
* 结构长度:GB/T 12221 |
|
阀体参数 |
|
|
公称压力 |
PN10、PN16、PN25 |
|
连接方式 |
法兰 JB、GB(特选ANSI、JIS) |
|
阀体材质 |
WCB、SS304、SS316、SS316L |
|
碟板材质 |
WCB、SS304、SS316、SS316L |
|
密封材料 |
Y(多层或混合硬密封)、S(不锈钢金属密封) |
|
工作温度 |
T6: -30℃~250℃(Y) |
|
|
|
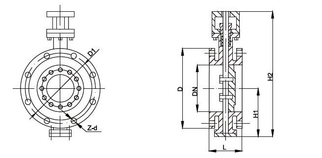
GB阀体尺寸(mm) |
|
公称压力bar |
型号规格 |
DN |
LA型 |
LB型 |
D |
D1 |
H1 |
H2 |
z-d |
P-气动头 |
E-电动头 |
|
PN16 |
GDUC50 |
50 |
108 |
150 |
165 |
125 |
112 |
655 |
4-18 |
P075D |
E06 |
|
GDUC65 |
65 |
112 |
170 |
185 |
145 |
115 |
665 |
4-18 |
P083D |
E06 |
|
|
GDUC80 |
80 |
114 |
180 |
200 |
160 |
120 |
675 |
8-18 |
P092D |
E10 |
|
|
GDUC100 |
100 |
127 |
190 |
220 |
180 |
138 |
705 |
8-18 |
P105D |
E15 |
|
|
GDUC125 |
125 |
140 |
200 |
250 |
210 |
164 |
745 |
8-18 |
P125D |
E20 |
|
|
GDUC150 |
150 |
140 |
210 |
285 |
240 |
175 |
830 |
8-22 |
P140D |
E30 |
|
|
GDUC200 |
200 |
152 |
230 |
340 |
295 |
200 |
880 |
12-22 |
P140D |
E50 |
|
|
GDUC250 |
250 |
165 |
250 |
405 |
355 |
243 |
955 |
12-26 |
P160D |
E50 |
|
|
GDUC300 |
300 |
178 |
270 |
460 |
410 |
250 |
1065 |
12-26 |
P190D |
E90 |
|
|
GDUC350 |
350 |
190 |
290 |
520 |
470 |
280 |
1100 |
16-26 |
P210D |
E100 |
|
|
GDUC400 |
400 |
216 |
310 |
580 |
525 |
305 |
1220 |
16-30 |
P240D |
E200 |
|
|
GDUC450 |
450 |
222 |
330 |
640 |
585 |
350 |
1280 |
20-30 |
P240D |
E200 |
|
|
GDUC500 |
500 |
229 |
350 |
715 |
650 |
380 |
1320 |
20-33 |
P270D |
E250 |
|
|
GDUC600 |
600 |
267 |
390 |
840 |
770 |
445 |
1485 |
20-36 |
P300D |
||
|
GDUC700 |
700 |
292 |
430 |
910 |
840 |
480 |
1615 |
24-36 |
P350D |
||
|
GDUC800 |
800 |
318 |
470 |
1025 |
950 |
530 |
1750 |
24-39 |
P400D |
①电动执行器(简称气动头或气缸)和电动执行器(简称电动头)的尺寸,请另查阅执行器资料,以上为设计尺寸,与实物可能存误差。
②如果是选择技术参数中的特选项目或客户有特制要求时,请向我们另行索取尺寸表;
③表中气动头型号为常规配置,若用户气源及工况条件较好,则可优化执行器配置减少成本,若工况条件差,则需加大执行器规格。 GDUC125,GDUC150,GDUC200,GDUC250,GDUC300,GDUC350,GDUC400,GDUC450,GDUC500,GDUC600,
GDUC700,GDUC800,P-GDUC50,P-GDUC65,P-GDUC80,P-GDUC100,P-GDUC250,P-GDUC300,
P-GDUC350,P-GDUC400,P-GDUC450,P-GDUC500,P-GDUC600,P-GDUC700,P-GDUC800,



