手机版
二维码
欢迎访问昌林自动化官方网站!
了解产品
品牌站
搜索
首页
了解产品
资讯动态
品牌站
下载中心
首页
>
了解产品
>
油泵 齿轮泵 组合泵
>
液压马达/气动马达
>
液压马达
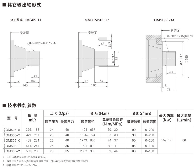
1OMS05-8,1OMS05-9,1OMS05-0,1OMS05-1,1OMS05-2,2OMS05-8,2OMS05-9,2OMS5-0,液压马达
点击图片查看原图
型号:
1OMS05-8,1OMS05-9,1OMS05-0,1OMS05-1,1OMS05-2,2OMS05-8,2OMS05-9,2OMS5-0
PDF下载:
如需产品详细说明请与销售客服联系
浏览次数:
635
公司基本资料信息
联系人
销售员 1616(先生)
电话
13861877712
地区
江苏-无锡市
地址
无锡市会北路28-135
详细说明
1OMS05-8,1OMS05-9,1OMS05-0,1OMS05-1,1OMS05-2,2OMS05-8,2OMS05-9,2OMS5-0,液压马达
2OMS05-1,2OMS05-2,
更多
>
本企业其它产品
HZ05/0,HZS05/0,HZ08/
1OMS05-8,1OMS05-9,1O
OMCR05-380,OMCR05-19
OMCR03-160,OMCR03-63
1OMS18-8,1OMS18-9,1O
1OMS02-8,1OMS02-0,1O
1OMS08-8,1OMS08-9,1O
1OMS11-0,1OMS11-1,1O
0
条
相关评论