手机版
二维码
欢迎访问昌林自动化官方网站!
了解产品
品牌站
搜索
首页
了解产品
资讯动态
品牌站
下载中心
首页
>
了解产品
>
油泵 齿轮泵 组合泵
>
柱塞泵及泵组
>
轴向柱塞泵
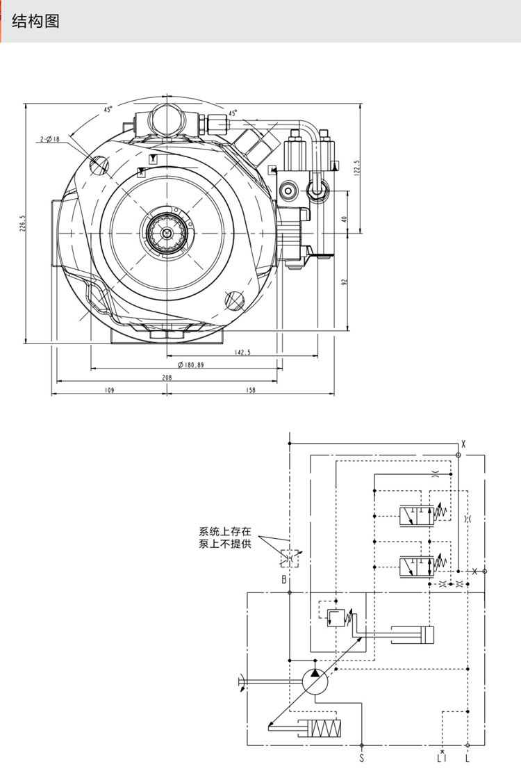
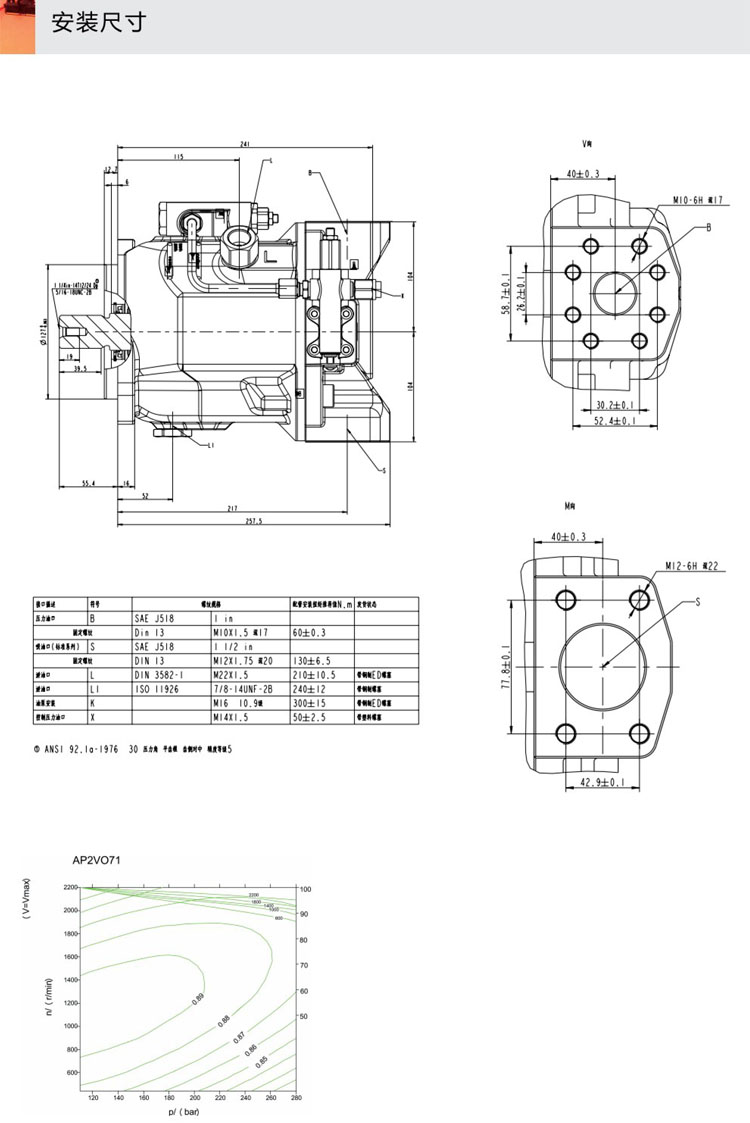
AP2VO71CLN,液压轴向柱塞泵
点击图片查看原图
型号:
AP2VO71CLN,液压轴向柱塞泵
PDF下载:
如需产品详细说明请与销售客服联系
浏览次数:
1024
公司基本资料信息
联系人
销售员1631(女士)
电话
13861877712
地区
江苏-无锡市
地址
无锡市会北路28-135
详细说明
AP2VO71CLN,液压轴向柱塞泵
更多
>
本企业其它产品
VM28PF,整体式多路阀
VS18LUDV,片体式多路
MA170W/GS14A01,轴向
AP4VO180TVN,液压轴向
AP4VO112TVN,液压轴向
AP2VO71CLN,液压轴向
AP3VO95CDLN,液压轴向
AP4VO112TE,液压轴向
0
条
相关评论