手机版
二维码
欢迎访问昌林自动化官方网站!
了解产品
品牌站
搜索
首页
了解产品
资讯动态
品牌站
下载中心
首页
>
了解产品
>
油泵 齿轮泵 组合泵
>
液压马达/气动马达
>
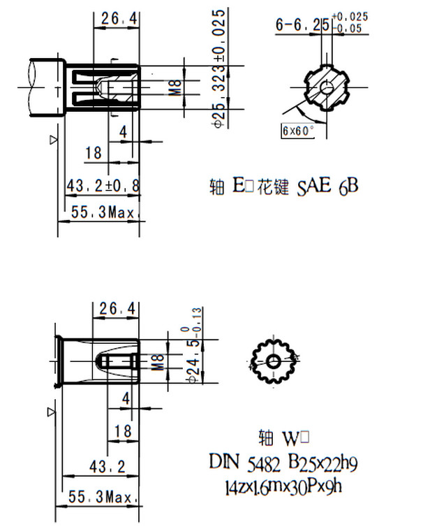
液压马达
OK36,OK50,OK80,OK100,OK125,OK160,OK200,OK250,OK315,OK375,blince摆线液压马达
点击图片查看原图
型号:
OK36,OK50,OK80,OK100,OK125,OK160,OK200,OK250,OK315,OK375
PDF下载:
如需产品详细说明请与销售客服联系
浏览次数:
563
公司基本资料信息
联系人
销售员 1516(先生)
电话
13861877712
地区
江苏-无锡市
地址
无锡市会北路28-135
详细说明
OK36,OK50,OK80,OK100,OK125,OK160,OK200,OK250,OK315,OK375,blince摆线液压马达
更多
>
本企业其它产品
OMS80,OMS100,OMSW125
BM2-125,BM2-160,BM2-
OK36,OK50,OK80,OK100
OMM-8,OMM-12.5,OMM-2
BMR36,BMR50,BMR80,BM
BMH-200,BMH-250,BMH-
OZ36,OZ50,OZ80,OZ100
BMT160,BMT200,BMT230
0
条
相关评论